Нов превключвател с тръбен накрайник

2025-11-14

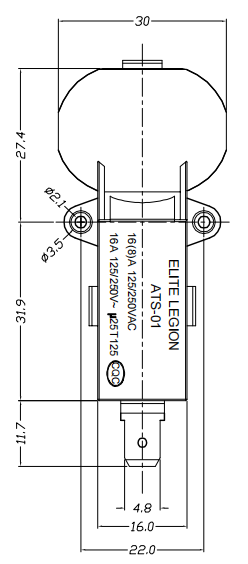
Превключвателят за преобръщане е надеждно и важно защитно устройство за безопасност. Неговото присъствие значително повишава безопасността при работа на различни вертикални уреди в нашата ежедневна употреба.


За да отговорим на нарастващите изисквания на нашите клиенти, ние представяме нашия нов тръбен превключвател. Този модел се отличава с различен форм фактор от предишните ни дизайни, предлагайки по-компактен отпечатък, който го прави идеален за интегриране в тръбни структури, като тези, които се намират във вентилатори на пиедестал, вентилатори в кула и подобни уреди.

  

В случай на случайно преобръщане или прекомерно накланяне на оборудването, този превключвател автоматично прекъсва захранването. Тази функция е от съществено значение за предотвратяване на потенциални опасности като пожар, токов удар и повреда на самото оборудване.


X
We use cookies to offer you a better browsing experience, analyze site traffic and personalize content. By using this site, you agree to our use of cookies. Privacy Policy
Reject Accept